Поставки промышленного оборудования
Плата Brahma серии 964
Плата Brahma серии 964
Brahma
Brahma
Плата Brahma серии 964
Плата Brahma серии 964
Характеристики
Бренды
Brahma
Все характеристики
0
В наличии
В корзине
sales@prom-elec.com
8-800-350-57-63
+7-958-623-59-59 (Whatsapp)
Обратная связь
Заказать оборудование:

Москва: В наличииСанкт-Петербург: В наличииКазань: В наличии

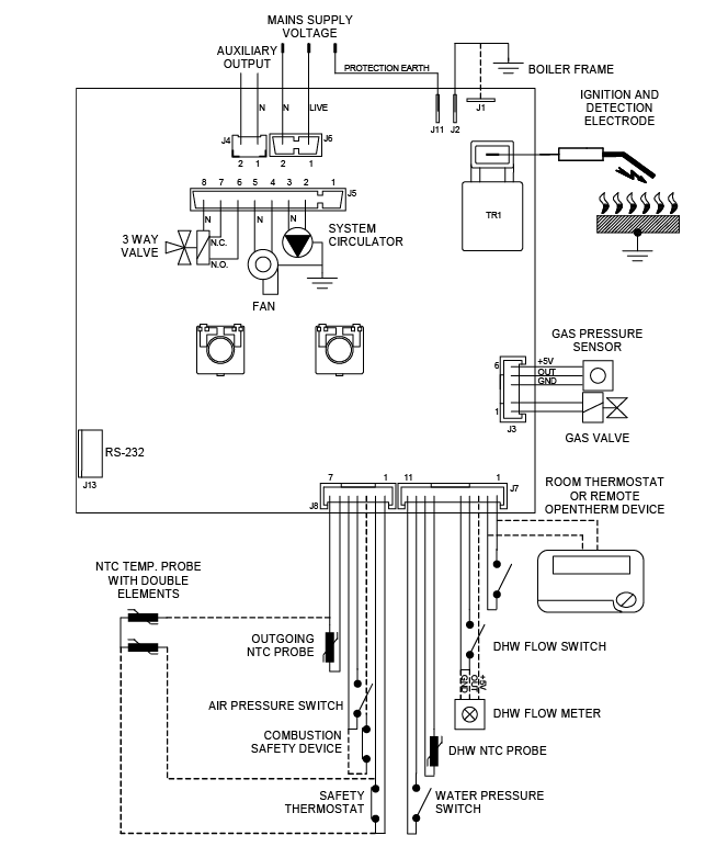
Плата управления Brahma серии 964 разработана для обеспечения безопасности и контроля температуры в конденсационных газовых котлах с предварительным смешиванием.

Плата Brahma 964 снабжена следующими функциями:

  • Для одиночного или двойного электрода;
  • Возможность многократных попыток зажигания;
  • Электрические или ручной сброс блокировки;
  • Контроль компонентов котла (насос, вентилятор, клапан, реле протока, реле давления воздуха, термостаты и т.д.);
  • Автоматическая идентификация типа котла (открытая или закрытая камера сгорания);
  • Использование контактных или погружения зондов для измерения температуры (до 2 температурных зондов);
  • Использование нормально замкнутого термостата безопасности или исходящего датчика температуры с двумя элементами;
  • Модуляция пламени с помощью пропорционального, интегрального и производной электронной системы (PID);
  • Варистор защищает систему от перепадов напряжения, которые могут быть получены в электросети;
  • Система EMC (фильтр против электромагнитных помех);
  • Совместим с протоколом Opentherm;
  • Интерфейс RS232.

Инструкция Плата Brahma 964(en)


Бренды
Brahma
Отзывов ещё нет — ваш может стать первым.

Помогите другим пользователям с выбором - будьте первым, кто поделится своим мнением об этом товаре.

phone